
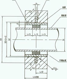
名稱:鋼性防水套管(B型)
適用范圍:
鋼性防水套管適用于管道穿墻處不承受管道振動和伸縮變形的構(建)筑物,對于地震設防要求的地區,如采用鋼性防水套管,應在進入池壁或建筑物外墻的管道上就近設置柔性連接,B型鋼性防水套管適用于球墨鑄鐵管。

| DN | D1 | D2 | D3 | δ | b | k | 重量(kg) | |
| 鑄鐵管 | 球鑄鑄鐵管 | |||||||
| 75 | 93 | - | 140 | 250 | 4 | 10 | 4 | 5.33 |
| 100 | 118 | 118 | 168 | 280 | 4.5 | 10 | 5 | 6.27 |
| 150 | 169 | 170 | 219 | 330 | 6 | 10 | 6 | 10.06 |
| 200 | 220 | 220 | 273 | 385 | 8 | 12 | 8 | 15.90 |
| 250 | 271.6 | 274 | 325 | 435 | 8 | 12 | 8 | 18.68 |
| 300 | 322.8 | 326 | 377 | 500 | 10 | 14 | 10 | 27.40 |
| 350 | 374 | 378 | 426 | 550 | 10 | 14 | 1O | 30.98 |
| 400 | 425.6 | 429 | 480 | 600 | 10 | 14 | 10 | 34.35 |
| 450 | 476.8 | - | 530 | 650 | 10 | 14 | 10 | 37.85 |
| 500 | 528 | 532 | 590 | 730 | 10 | 16 | 10 | 44.54 |
| 600 | 630.8 | 635 | 690 | 830 | 1O | 16 | 10 | 54.50 |
| 700 | 733 | 738 | 790 | 930 | 10 | 16 | 10 | 62.19 |
| 800 | 836 | 842 | 900 | 1040 | 10 | 16 | 10 | 70.65 |
| 900 | 939 | 945 | 1000 | 1140 | 10 | 16 | 10 | 78.34 |
| 1000 | 1041 | 1048 | 1100 | 1240 | 10 | 16 | 1O | 104.7 |
| 1100 | 1144 | - | 1200 | 1340 | 12 | 20 | 12 | 114.1 |
| 1200 | 1246 | 1255 | 1310 | 1450 | 12 | 20 | 12 | 124.4 |
上一篇:【剛性防水套管(A型)】
下一篇:【剛性防水套管(C型)】

豫公網安備 41910102000522號
地址:鞏義市永安路南段 0371-64393352 64580820 傳 真:0371-64031200 手 機:15903663076